German Amateur Radio Station      DARC  OV   I43      Locator  JO33KO
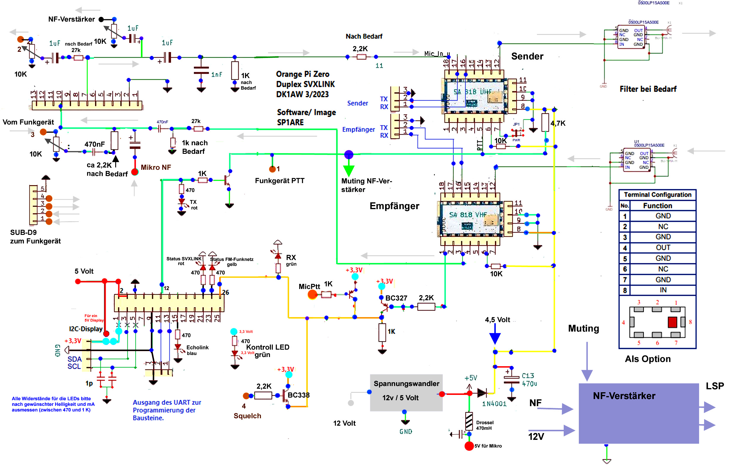
Auf der Basis  des Orange Pi Zero und dessen Image wurde eine universelle Repeaterplatine entwickelt, welche im Duplex-Mode arbeitet und somit als eigenständiges Relais im FM-Funknetz o.ä. arbeiten kann.

Je nach verwendetem Modul ist somit 2m, 70cm oder Crossband möglich.

Ebenso kann an der Platine ein Yaesu-Funkgerät angeschlossen werden, welches im Simplex-Mode eine größere Leistung zulässt.

Auch ist es möglich, dass eine Umsetzung von jeder Frequenz auf eine andere Frequenz möglich ist.

Somit ist es z.B. möglich, ein "Home-Relais" zu bauen.
Es wird dann z.B. mit dem Yaesu ein bestimmtes Relais empfangen und über die Module auf 439.500 ausgegeben.
Der fertige Repeater ist mit zwei Modulen in einem Alugehäuse eingebaut.
Gleichzeitig als Hotspot oder als Funkgerät nutzbar.
Die Anbindung ans Internet erfolgt über einen externen WLAN-Dongle außerhalb des Gehäuses
Durch den kleinen Lüfter wird die Temperatur unter 40 Grad gehalten.

DK1AW

Es wurde noch ein zweiter Repeater gebaut.

Hierzu wurde ein normales Kunststoffgehäuse verwendet.

Es wurde hier allerdings ein OLED-Display mit weißer Schrift verwendet.